Capacitive Power Supply Circuit Diagram Transformerless Capa
Capacitivetransformerlesspowersupply circuit is a type of power supply Capacitive power supply circuit working explanation Passive components in ac circuits with equations
Power Supply Schematic Diagram 12v
0-30v variable power supply circuit diagram at 3a Pin by nadir nawfer on electronice in 2020 Power supply schematic diagram 12v
Supply power capacitor smart capacitive weight light engineersgarage circuit diagram
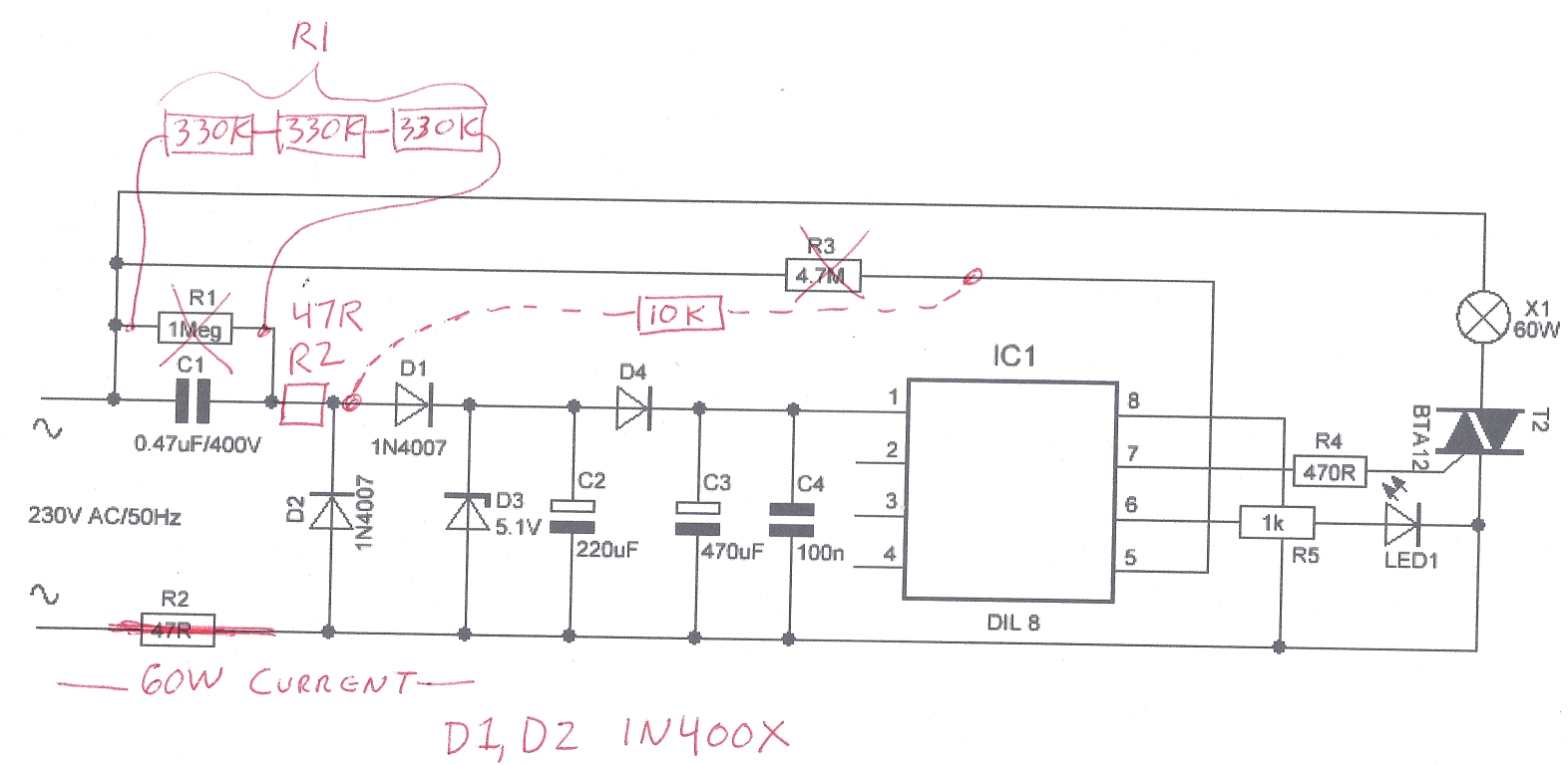
Capacitive power supply circuit working explanation[diagram] simple dc power supply circuit diagram with explanation Capacitor power supply circuitSupply power circuit diagram purpose general dc circuits ac electronic schematics supplies diagrams labels.
Capacitive power supply directionSupply power circuit capacitor capacitive connect Circuit supply power transformerless voltage circuits diagram homemade stabilized simple make schematic electronic projects circuito dc diagrama capacitive controlled 5aPurpose power supply circuit diagram.
Capacitive power supply circuit working explanation
Dc power supply circuit diagramCircuit capacitive inductive pure ac circuits equations passive frequency fig figure gif electricalacademia Transformerless capacitive power supply for led/acid batteryEverything for capacitive power supplies.
Electronic – the capacity of capacitors in this power supply circuitEverything for capacitive power supplies Transformer power supply circuit diagramElectronic – need help for calculation of this capacitive power supply.

Supply power electronics circuit diagram volt ampere projects microcontrollerslab
Capacitive power suppliesCapacitive power supply circuit working explanation Capacitive power supply circuit diagramCapacitive power supply.
Electronic – capacitive power supply – valuable tech notesTransformerless power supply Power capacitive circuit supply working diagram principleHigh voltage.
Circuit capacitive power supply voltage dropping capacitor working diagram c1 has component main
Power supply transformerless transformer circuit less capacitive capacitor dropper fig isolated without voltage resistor electronics projects fullSupply power capacitor circuit Power capacitive supplies supply diagram circuit mouser everything figureCapacitive coupling causes, effects, uses, examples in 2023.
Supply variable 30v eleccircuit voltage constant psu flowPower supply capacitive circuitlab circuit description The post explains how an ordinary capacitive power supply may beLight weight capacitive power supply design.

Power supply
Power circuit supply capacitive voltage board explanation working dc methods mains convert ac many therePatent us6424156 Power supply for electronics projectsHigh voltage.
Capacitive power supply supplies mouser everything figure simpleTransformerless capacitive 400v capacitor explanation mains Capacitive power supplyCapacitive power supply circuit working explanation.

Capacitive power supply circuit
.
.






